- Обзор
- Характеристики
- Отзывы (0)
- Реквизиты
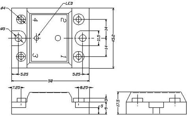
РелеТвердотельное реле. управление 4 - 32VDC, ком. 40A 250VAC, монтаж на поверхность, Твердотельное реле. управление 4 - 32VDC, ком. 40A 250VAC, монтаж на поверхностьРеле KSD240AC8 Входное напряжение: 4-32 В(DC); Выходное напряжение (макс.): 250 В(AC); Выходное напряжение (мин.): 50 В(AC); Выходной ток (макс.): 40 А; Выходной ток (мин.): 0.05 А; Напр. пробоя между вх. и вых.: 4000 В(AC); Ток пeреключения (мин.): 5 мА; монтаж на поверхность Твердотельные реле предназначены для использования в цепях постоянного и переменного тока в системах автоматического регулирования приводов электродвигателей, цепях автоматического управления, для подключения трансформаторов, нагревательных элементов и другого оборудования. Корпус KSD 240AC8
0.0
общая оценка
Всего 0 отзывов
Отзывов нет


















