- Обзор
- Характеристики
- Отзывы (0)
- Реквизиты
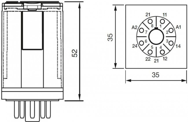
Устройства защиты, контроля и управления\Реле\ПромежуточныеДополнительные характеристики промежуточного реле ComatReleco C2-A20/AC230V PN950: Материал контактов: AgNi.Максимальная нагрузка на контакт: 10А/250V (AC1) или 10A/30V (DC1).Напряжение питания катушки: 230V АC.Монтаж в колодку.Совместимая колодка: S2-B, S2-S, S2-L, S2-P, S2-P0.
Отзывов нет






![Держатели для светодиодов H-1007; № 5164 G держатель светодиода\10мм\16x19\ \\пл\H-1007\[RLL-1010] Держатели для светодиодов H-1007; № 5164 G держатель светодиода\10мм\16x19\ \\пл\H-1007\[RLL-1010]](/wa-data/public/shop/products/47/67/26747/images/37122/37122.300x0.jpg)















