- Обзор
- Характеристики
- Отзывы (0)
- Реквизиты
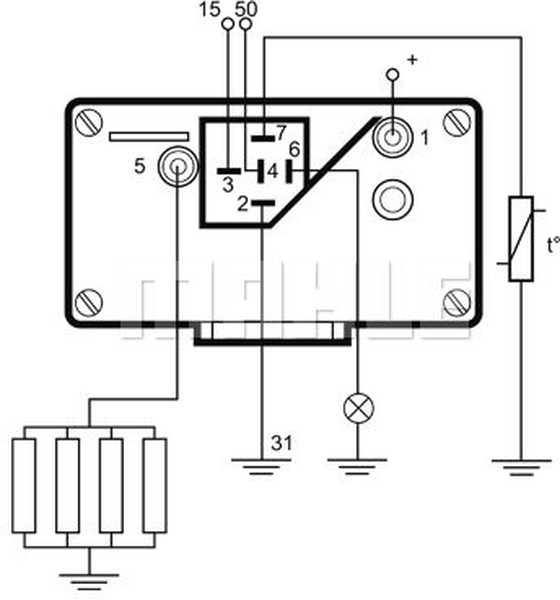
OEМ Номер 11067-D9702;245600;0 333 402 513;30872555;30873658;7700107794;7700867558;04686062;09 110 178;132055;162064501000;30872555;30873658;4686062;4RV 008 188-101;4RV 008 188-131;4RV 008 188-341;605078062;60507807;605078070;605139290;DSC21;HDC103;HDC121;HDC135;
Отзывов нет




