- Обзор
 - Характеристики
 - Отзывы (0)
 - Реквизиты
 
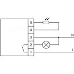
Назначение Для автоматического включения освещения (нагрузки) в сумерки и выключения на рассвете.Область применения Для управления освещением улиц, витрин магазинов, рекламы, автостоянок, железнодорожных переездов, остановочных пунктов, строек, коттеджей и т. п., а также для использования в устройствах промышленной и бытовой автоматики.Принцип работы Принцип работы основан на измерении уровня освещённости фотодатчиком (встроенным или выносным). Порог включения регулируется потенциометром. Для защиты от ложных срабатываний при случайном освещении или затемнении фотодатчика предусмотрена задержка времени выключения и включения, соответственно. Основные технические параметры: Напряжение питания: 230В, 50Гц; Макс. коммутируемый ток: 16А АС1; Порог включения, регулируемый 2-100 Лк; Датчик: выносной; Задержка включения: 2 - 5 сек.; Задержка выключения: 10 - 15 сек.; Рабочая температура: -25...50°С.
Отзывов нет



































