- Обзор
- Характеристики
- Отзывы (0)
- Реквизиты
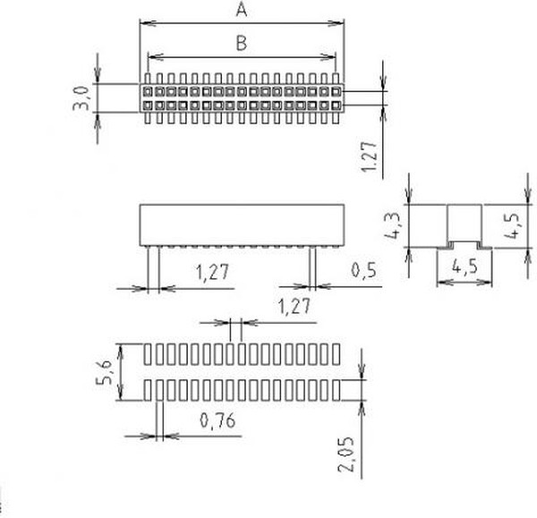
РАЗЪЕМЫ\Штыри и гнезда для плат 1.27ммГнездо на плату, шаг 1.27мм, поверхностный монтаж, двухрядноеКонтакты: фосф. бронзаВарианты покрытия контактов: золото/олово/золото выборочноИзолятор: полистирол, усиленный стекловолокном UL-94V-0Электрические характеристики: Предельный ток: 0.5АПредельное напряжение: 250В в течение 1 минСопротивление изолятора: не менее 500МомСопротивление контакта: не более: 0.03 ОмЭксплуатационные характеристики: Допустимые температуры: от -40 С + 105 С
Отзывов нет






















