G17S0910110EU (SPC15469) Разъем D Sub, DB9, Standard, Штекер, Серия G17, 9 контакт(-ов), DE, Solder Cup /Amphenol
В избранноеВ сравнение
- Обзор
- Характеристики
- Отзывы (0)
- Реквизиты
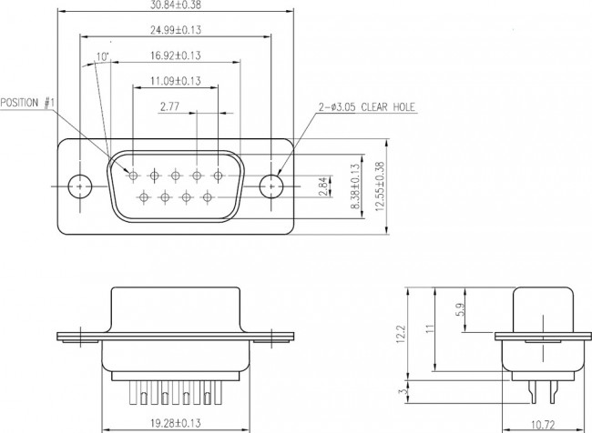
Разъемы\Разъемы и Компоненты D Sub\Стандартные Разъемы D Sub ∙ Стандартное соединение под пайку и высокая плотность ∙ Стальной корпус ∙ Стеклонаполненный термопластичный изолятор ∙ В соответствии с MIL-C24308-NFC 93425-HE5 ∙ 1000MR при сопротивлении изоляции 500 В постоянного тока Аналог разъема SPC15469
0.0
общая оценка
Всего 0 отзывов
Отзывов нет


















