- Обзор
- Характеристики
- Отзывы (0)
- Реквизиты
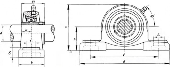
Станки\Промышленные компоненты\Подшипники\Подшипниковые узлы и корпусы подшипниковПодшипниковый узел выдерживает высокие радиальные нагрузки и служит для исключения возможности перекосов подшипниковых элементов, что может послужить причиной быстрого износа приводных деталей. Монолитная конструкция позволяет применять данный подшипниковый узел в цехах и производственных помещениях, отличающихся высоким уровнем запыленности. Используется в машинах сельскохозяйственного назначения, дерево- и металлообрабатывающих станках, конвейерах.
Отзывов нет




