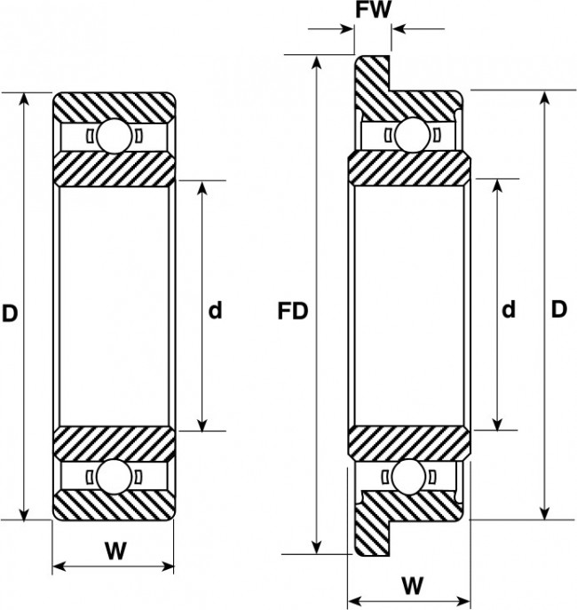
DDRF-620ZZHA1P25LY72 Double Row Deep Groove Ball Bearing- Both Sides Shielded 2mm I.D, 6.0mm O.D
В избранноеВ сравнение
- Обзор
- Характеристики
- Отзывы (0)
- Реквизиты
Bearings & Seals\Rotary Bearings & Housing Units\Ball BearingsNMB metric and imperial bearings manufactured to ABEC 5. The bearings are suitable for use with precision instruments, chart recorders, etc.
Отзывов нет






