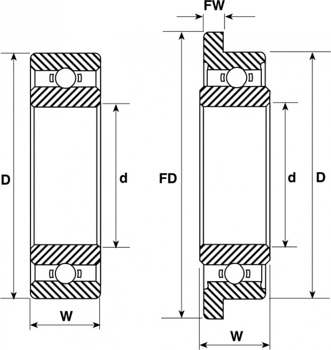
DDLF-1060ZZHA5P25LY121 Double Row Deep Groove Ball Bearing- Both Sides Shielded 6mm I.D, 10mm O.D
В избранноеВ сравнение
- Обзор
- Характеристики
- Отзывы (0)
- Реквизиты
Bearings & Seals\Rotary Bearings & Housing Units\Ball BearingsNMB metric and imperial bearings manufactured to ABEC 5. The bearings are suitable for use with precision instruments, chart recorders, etc.
0.0
общая оценка
Всего 0 отзывов
Отзывов нет










