МП7, (93 г.)

Оставить отзыв
В избранноеВ сравнение
Артикул: МП7
Кнопки, переключатели, разъемы, реле Переключатели Микропереключатели Россия МП7, (93 г.)
Основные
Дата загрузки10.03.2024
категорияКнопки, переключатели, разъемы, реле/Переключатели
партномер8258779358
200
+
Бонус: 4 !
Бонусная программа
Итого: 200
Купить
  • Обзор
  • Характеристики
  • Отзывы (0)
  • Реквизиты
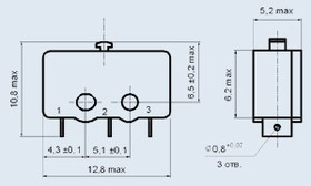
микропереключателиМП7 Микропереключатели МП7 миниатюрные однополюсные с одинарным разрывом цепи для объёмного монтажа. Предназначены для коммутации электрических цепей постоянного тока при напряжении не более 220 В и силе тока до 0,5 А. Используются для работы в качестве микропереключателей в системах управления и сигнализации электронной аппаратуры общего и специального назначения. Микропереключатели выполнены в карболитовых корпусах и крепятся двумя винтами через отверстия в корпусе. Конструкция контактных выводов обеспечивает подсоединение монтажных проводов при помощи пайки. Микропереключатели МП7 предназначены для внутреннего монтажа и изготавливаются в климатическом исполнении «УХЛ» и во всеклиматическом исполнении «В». Категория качества: «ОТК», «ВП», «ОС». Технические условия: - для микропереключателей с приёмкой «1» УСО.360.074ТУ; - для микропереключателей с приёмкой «5» ОЮ0.360.007ТУ; - для микропереключателей с приёмкой «9» ОЮ0.360.007ТУ, СДАГ0.367.203ТУ. Гарантийный срок хранения микропереключателей МП7 - 20 лет со дня приёмки представителем заказчика. Минимальная наработка: - 5000 часов во всех режимах и условиях, допускаемых ТУ. Гарантийная наработка исчисляется в пределах гарантийного срока хранения. Расшифровка условного обозначения: МП7 МП - обозначение типа микропереключателя; 7 - порядковый номер разработки; Ш - конструктивное отличие от базовой модели (габариты нажимного устройства - штока); В - всеклиматическое исполнение (УХЛ - не указывается).
Основные
Дата загрузки10.03.2024
категорияКнопки, переключатели, разъемы, реле/Переключатели
партномер8258779358
Время загрузки17:48:34
Отзывов нет
Меню
0Корзина
Товар добавлен в корзину!
Товар добавлен в список сравнения
Товар добавлен в список избранных
Профиль