- Обзор
- Характеристики
- Отзывы (0)
- Реквизиты
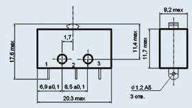
микропереключателиМП5 Микропереключатели МП5 малогабаритные однополюсные с одинарным разрывом цепи для объёмного монтажа. Предназначены для коммутации электрических цепей постоянного и переменного тока при напряжении не более 250 В и силе тока до 4,0 А. Используются для работы в качестве микропереключателей в системах управления и сигнализации электронной аппаратуры общего и специального назначения. Микропереключатели типа МП выпускаются 2 типоразмеров и 5 типономиналов. Микропереключатели выполнены в карболитовых корпусах и крепятся двумя винтами через отверстия в корпусе. Конструкция контактных выводов обеспечивает подсоединение монтажных проводов при помощи пайки. Микропереключатели МП5 предназначены для внутреннего монтажа и изготавливаются в климатическом исполнении «УХЛ» и во всеклиматическом исполнении «В». Категория качества: «ОТК», «ВП», «ОС». Технические условия: - для микропереключателей с приёмкой «1» УС0.360.074ТУ; - для микропереключателей с приёмкой «5» ОЮ0.360.007ТУ; - для микропереключателей с приёмкой «9» ОЮ0.360.007ТУ, СДАГ0.367.203ТУ. Гарантийный срок хранения микропереключателей МП5 - 20 лет со дня приёмки представителем заказчика. Минимальная наработка: - 5000 часов во всех режимах и условиях, допускаемых ТУ. Гарантийная наработка исчисляется в пределах гарантийного срока хранения. Расшифровка условного обозначения: МП5 МП - обозначение типа микропереключателя; 5 - порядковый номер разработки; В - всеклиматическое исполнение (УХЛ - не указывается).
Отзывов нет























