- Обзор
- Характеристики
- Отзывы (0)
- Реквизиты
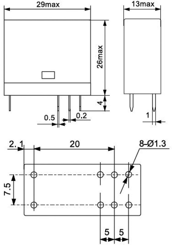
Дополнительные характеристики: Кол-во контактов - 2 перекидных.Материал контакта - AgSnO2 (диоксид серебра и олова).Номинальная нагрузка для AC1 - 1250 ВА.Отключающая способность DC1: 30 В - 5 ВА.Минимальная нагрузка на переключение - 10 мА/17 ВDC.Рабочий диапазон катушки Uмин - 19.2 В.Рабочий диапазон катушки Uмакс - 26.4 В.Сопротивление катушки - 240 Ом.Номинальный ток катушки - 37.8 мА.Электрическая долговечность для AC1 в циклах - 200 000.Диапазон температур -40…+70 °C.Установка - универсальный.
Отзывов нет





































