- Обзор
- Характеристики
- Отзывы (0)
- Реквизиты
транзисторы биполярные импортныеБиполярный (BJT) транзистор NPN 100V 3A 2W Through Hole TO-220AB
| Дата загрузки | 18.02.2024 |
| Вес и габариты | |
| вес, г | 6 |
| Информация о производителе | |
| Производитель | STMicroelectronics |
| Бренд | STMicroelectronics |
| Основные | |
| base product number | TIP31 -> |
| collector- base voltage vcbo | 100 V |
| collector-emitter saturation voltage | 1.2 V |
| collector- emitter voltage vceo max | 100 V |
| configuration | Single |
| continuous collector current | 3 A |
| current - collector cutoff (max) | 300ВµA |
| current - collector (ic) (max) | 3A |
| dc current gain (hfe) (min) @ ic, vce | 10 @ 3A, 4V |
| eccn | EAR99 |
| emitter- base voltage vebo | 5 V |
| factory pack quantity | 1000 |
| gain bandwidth product ft | 3 MHz |
| height | 9.15 mm(Max) |
| htsus | 8541.29.0095 |
| категория | Электронные компоненты/Транзисторы |
| кол-во в упаковке | 50 |
| length | 10.4 mm(Max) |
| максимальная рассеиваемая мощность, вт | 2 |
| manufacturer | STMicroelectronics |
| maximum collector base voltage | 100 V |
| maximum collector emitter voltage | 100 V |
| maximum dc collector current | 3 A |
| maximum emitter base voltage | 5 V |
| maximum operating temperature | +150 C |
| maximum power dissipation | 2 W |
| minimum dc current gain | 10 |
| minimum operating temperature | -65 C |
| moisture sensitivity level (msl) | 1 (Unlimited) |
| mounting style | Through Hole |
| mounting type | Through Hole |
| msl(уровень чувствительности к влажности) | 1 |
| number of elements per chip | 1 |
| operating temperature | 150В°C (TJ) |
| other related documents | http://www.st.com/web/catalog/sense_power/FM100/CL |
| package | Tube |
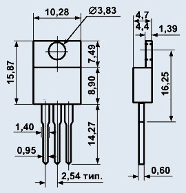
| package / case | TO-220-3 |
| package type | TO-220 |
| packaging | Tube |
| партномер | 8014215057 |
| pd - power dissipation | 40 W |
| pin count | 3 |
| power - max | 2W |
| product category | Bipolar Transistors-BJT |
| reach status | REACH Unaffected |
| rohs | Details |
| rohs status | ROHS3 Compliant |
| series | 500V Transistors |
| supplier device package | TO-220AB |
| transistor configuration | Single |
| transistor polarity | NPN |
| transistor type | NPN |
| unit weight | 0.211644 oz |
| упаковка | TUBE, 50 шт. |
| vce saturation (max) @ ib, ic | 1.2V @ 375mA, 3A |
| voltage - collector emitter breakdown (max) | 100V |
| Время загрузки | 14:03:21 |
| width | 4.6 mm(Max) |
| Дата загрузки | 18.02.2024 |
| Вес и габариты | |
| вес, г | 6 |
| Информация о производителе | |
| Производитель | STMicroelectronics |
| Бренд | STMicroelectronics |
| Основные | |
| base product number | TIP31 -> |
| collector- base voltage vcbo | 100 V |
| collector-emitter saturation voltage | 1.2 V |
| collector- emitter voltage vceo max | 100 V |
| configuration | Single |
| continuous collector current | 3 A |
| current - collector cutoff (max) | 300ВµA |
| current - collector (ic) (max) | 3A |
| dc current gain (hfe) (min) @ ic, vce | 10 @ 3A, 4V |
| eccn | EAR99 |
| emitter- base voltage vebo | 5 V |
| factory pack quantity | 1000 |
| gain bandwidth product ft | 3 MHz |
| height | 9.15 mm(Max) |
| htsus | 8541.29.0095 |
| категория | Электронные компоненты/Транзисторы |
| кол-во в упаковке | 50 |
| length | 10.4 mm(Max) |
| максимальная рассеиваемая мощность, вт | 2 |
| manufacturer | STMicroelectronics |
| maximum collector base voltage | 100 V |
| maximum collector emitter voltage | 100 V |
| maximum dc collector current | 3 A |
| maximum emitter base voltage | 5 V |
| maximum operating temperature | +150 C |
| maximum power dissipation | 2 W |
| minimum dc current gain | 10 |
| minimum operating temperature | -65 C |
| moisture sensitivity level (msl) | 1 (Unlimited) |
| mounting style | Through Hole |
| mounting type | Through Hole |
| msl(уровень чувствительности к влажности) | 1 |
| number of elements per chip | 1 |
| operating temperature | 150В°C (TJ) |
| other related documents | http://www.st.com/web/catalog/sense_power/FM100/CL |
| package | Tube |
| package / case | TO-220-3 |
| package type | TO-220 |
| packaging | Tube |
| партномер | 8014215057 |
| pd - power dissipation | 40 W |
| pin count | 3 |
| power - max | 2W |
| product category | Bipolar Transistors-BJT |
| reach status | REACH Unaffected |
| rohs | Details |
| rohs status | ROHS3 Compliant |
| series | 500V Transistors |
| supplier device package | TO-220AB |
| transistor configuration | Single |
| transistor polarity | NPN |
| transistor type | NPN |
| unit weight | 0.211644 oz |
| упаковка | TUBE, 50 шт. |
| vce saturation (max) @ ib, ic | 1.2V @ 375mA, 3A |
| voltage - collector emitter breakdown (max) | 100V |
| Время загрузки | 14:03:21 |
| width | 4.6 mm(Max) |
Отзывов нет
Компания ООО "Телеметрия"
- Название организации: ООО "ТЕЛЕМЕТРИЯ" Юридический адрес организации: Российская Федерация, 664043, Иркутская область, г. Иркутск, ул. Маршала Конева, дом 38 ИНН 7536172565 КПП 381201001 ОГРН 1187536004215 Расчетный счет 40702810010000426573 Банк АО «Тинькофф Банк» БИК банка 044525974 ИНН банка 7710140679 Корреспондентский счет банка 30101810145250000974 Юридический адрес банка 127287, г. Москва, ул. Хуторская 2-я, д. 38А, стр. 26




















![2SC3420-GR, Транзистор NPN 20В 5А 1.5Вт [TO-126F] 2SC3420-GR, Транзистор NPN 20В 5А 1.5Вт [TO-126F]](/wa-data/public/shop/products/04/04/300404/images/351600/351600.300x0.jpg)
![2SA1013-Y, Транзистор PNP 160В 1А 0.9Вт [TO-92LM] 2SA1013-Y, Транзистор PNP 160В 1А 0.9Вт [TO-92LM]](/wa-data/public/shop/products/03/04/300403/images/351599/351599.300x0.jpg)





