PUMH11

Оставить отзыв
В избранноеВ сравнение
Электронные компоненты Транзисторы Биполярные (BJTs) NXP PUMH11
Дата загрузки21.02.2024
Вес и габариты
вес, г0.05
Высота1 mm
Высота 1 мм
Информация о производителе
95
+
Бонус: 1.9 !
Бонусная программа
Итого: 95
Купить
  • Обзор
  • Характеристики
  • Отзывы (0)
  • Реквизиты
ЭлектроэлементNexperia PUMH11 - Small Signal Bipolar Transistor, 0.1A, 50V, 2-Element, NPN, SC-88, 6 PIN
Дата загрузки21.02.2024
Вес и габариты
вес, г0.05
Высота1 mm
Высота 1 мм
Информация о производителе
ПроизводительNXP Semiconductor
БрендNXP Semiconductor
Основные
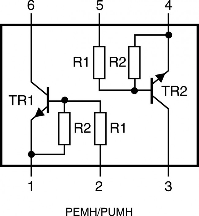
base part numberMH11
base product numberPUMH11 ->
collector-emitter breakdown voltage50V
current - collector cutoff (max)1ВµA
current - collector (ic) (max)100mA
dc current gain (hfe) (min) @ ic, vce30 @ 5mA, 5V
длина2.2 mm
другие названия товара №9,3405E+11
eccnEAR99
frequency - transition-
htsus8541.21.0095
категорияЭлектронные компоненты/Транзисторы
категория продуктаБиполярные транзисторы - С предварительно заданным
конфигурацияDual
квалификацияAEC-Q101
максимальная рабочая температура+ 150 C
manufacturerNexperia USA Inc.
maximum collector emitter voltage50 V
maximum dc collector current100mA
maximum emitter base voltage10 V
maximum operating temperature+150 °C
минимальная рабочая температура65 C
moisture sensitivity level (msl)1 (Unlimited)
mounting typeSurface Mount
напряжение коллектор-эмиттер (vceo), макс.50 V
непрерывный коллекторный ток100 mA
number of elements per chip2
packageTape & Reel (TR)Cut Tape (CT)Digi-ReelВ®
package / case6-TSSOP, SC-88, SOT-363
package typeUMT
packagingCut Tape(CT)
партномер8002973581
part statusactive
pd - power dissipation300mW
пиковый постоянный ток коллектора100 mA
pin count6
подкатегорияTransistors
полярность транзистораNPN
power - max300mW
размер фабричной упаковки3000
reach statusREACH Unaffected
resistor - base (r1)10 kOhms
resistor - emitter base (r2)10 kOhms
rohs statusROHS3 Compliant
series-
supplier device package6-TSSOP
типичное входное сопротивление10 kOhms
типичный коэффициент деления резистора1
тип продуктаBJTs - Bipolar Transistors - Pre-Biased
торговая маркаNexperia
transistor configurationIsolated
transistor type2 NPN-Pre-Biased(Dual)
typical input resistor10 kΩ
typical resistor ratio1
упаковка / блокTSSOP-6
vce saturation (max) @ ib, ic150mV @ 500ВµA, 10mA
вид монтажаSMD/SMT
voltage - collector emitter breakdown (max)50V
Время загрузки1:22:07
Ширина1.35 мм
0.0
общая оценка
Всего 0 отзывов
0 отзывов
0 отзывов
0 отзывов
0 отзывов
0 отзывов
Отзывов нет
Меню
0Корзина
Товар добавлен в корзину!
Товар добавлен в список сравнения
Товар добавлен в список избранных
Профиль