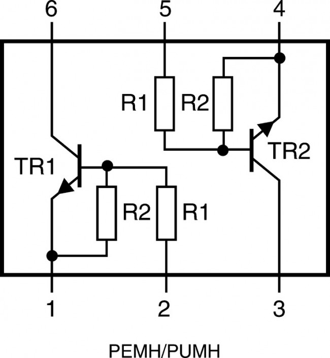
PIMH9,115, PIMH9,115 Dual NPN Digital Transistor, 100 mA, 50 V, 6-Pin SOT-457 (SC-74)
В избранноеВ сравнение
- Обзор
- Характеристики
- Отзывы (0)
- Реквизиты
Semiconductors\Discrete Semiconductors\Bipolar TransistorsResistor-equipped bipolar transistors, also known as “Digital Transistors” or “Bias Resistor Transistors”, incorporating one or two integrated resistors.
Отзывов нет















![2SC3420-GR, Транзистор NPN 20В 5А 1.5Вт [TO-126F] 2SC3420-GR, Транзистор NPN 20В 5А 1.5Вт [TO-126F]](/wa-data/public/shop/products/04/04/300404/images/351600/351600.300x0.jpg)
![2SA1013-Y, Транзистор PNP 160В 1А 0.9Вт [TO-92LM] 2SA1013-Y, Транзистор PNP 160В 1А 0.9Вт [TO-92LM]](/wa-data/public/shop/products/03/04/300403/images/351599/351599.300x0.jpg)





