- Обзор
- Характеристики
- Отзывы (0)
- Реквизиты
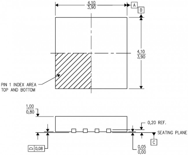
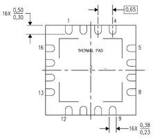
The BQ24073RGTT is an integrated Li-ion Linear Charger and System Power Path Management Device targeted at space-limited portable applications. The device operates from either an USB port or an AC adapter and support charge currents up to 1.5A. The input voltage range with input overvoltage protection supports unregulated adapters. The USB input current limit accuracy and start up sequence allow the BQ2407X to meet USB-IF inrush current specifications. Additionally, the input dynamic power management (VIN-DPM) prevents the charger from crashing incorrectly configured USB sources. The BQ2407X features dynamic power path management (DPPM) that powers the system while simultaneously and independently charging the battery. The DPPM circuit reduces the charge current when the input current limit causes the system output to fall to the DPPM threshold; thus, supplying the system load at all times while monitoring the charge current separately.
• Fully compliant USB charger• 28V Input rating with over-voltage protection• Programmable pre-charge and fast-charge safety timers• Reverse current, short-circuit and thermal protection• NTC thermistor input• Proprietary start up sequence limits inrush current• Status indication - Charging/done, power good• Green product and no Sb/Br
Отзывов нет






![L6206PD, DMOS двойной Full-Bridge драйвер [PowerSO-36] L6206PD, DMOS двойной Full-Bridge драйвер [PowerSO-36]](/wa-data/public/shop/products/97/20/2097/images/2688/2688.300x0.jpg)
![L298P013TR, Двойной полномостовой драйвер [PowerSO-20] L298P013TR, Двойной полномостовой драйвер [PowerSO-20]](/wa-data/public/shop/products/93/20/2093/images/2676/2676.300x0.jpg)
![L6203, DMOS полномостовой драйвер [MULTIWATT-11] L6203, DMOS полномостовой драйвер [MULTIWATT-11]](/wa-data/public/shop/products/96/20/2096/images/2684/2684.300x0.jpg)
![IRSM005-800MH, Полумостовой IPM для низкоговольтных приложений [PQFN-27 (7x8)] IRSM005-800MH, Полумостовой IPM для низкоговольтных приложений [PQFN-27 (7x8)]](/wa-data/public/shop/products/91/20/2091/images/2670/2670.300x0.jpg)
![L6207D, DMOS двойной Full-Bridge драйвер c ШИМ токовым контроллером [SO-24 (20+2+2)] L6207D, DMOS двойной Full-Bridge драйвер c ШИМ токовым контроллером [SO-24 (20+2+2)]](/wa-data/public/shop/products/67/20/2067/images/2633/2633.300x0.jpg)
![L6201PS, DMOS полномостовой драйвер [PowerSO-20] L6201PS, DMOS полномостовой драйвер [PowerSO-20]](/wa-data/public/shop/products/94/20/2094/images/2679/2679.300x0.jpg)
![DRV8412DDW, Двойной полномостовой ШИМ драйвер двигателей [HTSSOP-44] DRV8412DDW, Двойной полномостовой ШИМ драйвер двигателей [HTSSOP-44]](/wa-data/public/shop/products/90/20/2090/images/2669/2669.300x0.jpg)
![LV11961HA-AH, Однофазный драйвер вентирятора [HSSOP-14-225mil] LV11961HA-AH, Однофазный драйвер вентирятора [HSSOP-14-225mil]](/wa-data/public/shop/products/44/20/2044/images/2582/2582.300x0.jpg)








