74FCT543ATQG, QSOP-24-4.0mm Buffer/Driver/Transceiver

Оставить отзыв
В избранноеВ сравнение
Артикул: 74FCT543ATQG
Электронные компоненты Микросхемы Логические - Буферы, Драйверы, Приемники, Трансиверы Renesas 74FCT543ATQG, QSOP-24-4.0mm Buffer/Driver/Tran ...
Информация о производителе
ПроизводительRenesas Technology
Основные
Дата загрузки29.05.2024
Время загрузки20:47:24
БрендRenesas Technology
280
+
Бонус: 5.6 !
Бонусная программа
Итого: 280
Купить
  • Обзор
  • Характеристики
  • Отзывы (0)
  • Реквизиты
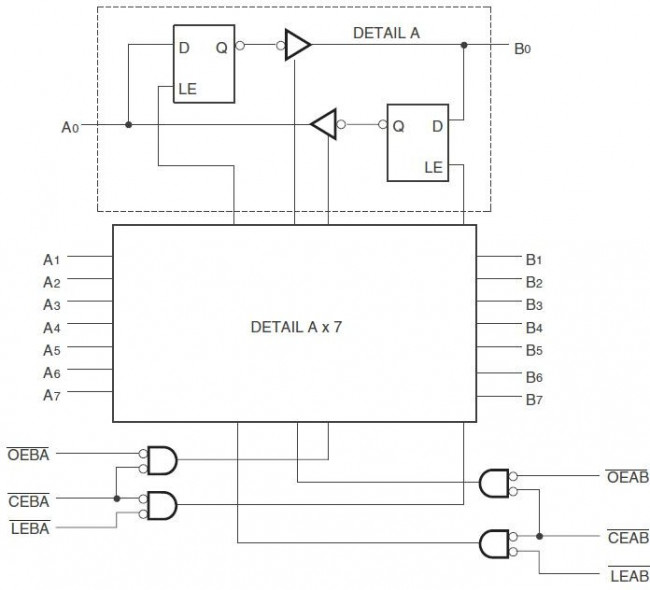
The Renesas Electronics octal latch transceiver is a non-inverting octal transceiver built using an advanced dual metal CMOS technology.
Информация о производителе
ПроизводительRenesas Technology
Основные
Дата загрузки29.05.2024
Время загрузки20:47:24
БрендRenesas Technology
Вес и габариты
базовый номер микросхемы логики74543
базовый номер / семейство логики74FCT543AT
категорияЭлектронные компоненты/Микросхемы
количество выводов24вывод(-ов)
latching elementD Type
latch modeTransparent
logic family74FCT
максимальная рабочая температура85°C
максимальное напряжение питания5.25В
минимальная рабочая температура-40°C
минимальное напряжение питания4.75В
number of bits8bit
number of channels per chip14
number of elements per chip8
партномер8017583702
семейство логической микросхемы74FCT
стиль корпуса микросхемы логикиQSOP
тип логического устройстваПриемопередатчик, Неинвертирующий
вес, г0.29
0.0
общая оценка
Всего 0 отзывов
0 отзывов
0 отзывов
0 отзывов
0 отзывов
0 отзывов
Отзывов нет
Меню
0Корзина
Товар добавлен в корзину!
Товар добавлен в список сравнения
Товар добавлен в список избранных
Профиль