ADM3063EARZ, RS-485 Interface IC 3.0 V to 5.5 V, 12 kV IEC ESD Protected, Full Duplex 500 kbps RS-485 Transceiver
В избранноеВ сравнение
- Обзор
- Характеристики
- Отзывы (0)
- Реквизиты
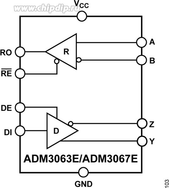
Semiconductors\Interface ICs\RS-485 Interface ICADM306x Interface RS-485 TransceiversAnalog Devices Inc. ADM306x Interface RS-485 Transceivers are 3.0V to 5.5V, IEC electrostatic discharge (ESD) protected RS-485 transceivers. This allows the devices to withstand ±12kV contact discharges on the transceiver bus pins without latch-up or damage. The ADM306x features a VIO logic supply pin that allows a flexible digital interface that operates as low as 1.62V. The ADM3065E/ADM3066E/ADM3067E/ADM3068E are suitable for high speed, 50Mbps, bi-directional data communication on multipoint bus transmission lines. The ADM3061E/ADM3062E/ADM3063E/ADM3064E feature a 1/4 unit load input impedance that allows up to 128 transceivers on a bus. The ADM3061E/ADM3062E/ADM3063E/ADM3064E models offer the same features as the ADM3065E/ADM3066E/ADM3067E/ADM3068E models at a low 500kbps data rate that is suitable for operation over long cable runs.
Отзывов нет




![LV11961HA-AH, Однофазный драйвер вентирятора [HSSOP-14-225mil] LV11961HA-AH, Однофазный драйвер вентирятора [HSSOP-14-225mil]](/wa-data/public/shop/products/44/20/2044/images/2582/2582.300x0.jpg)
![L298P013TR, Двойной полномостовой драйвер [PowerSO-20] L298P013TR, Двойной полномостовой драйвер [PowerSO-20]](/wa-data/public/shop/products/93/20/2093/images/2676/2676.300x0.jpg)
![L6202, DMOS полномостовой драйвер [DIP-18] L6202, DMOS полномостовой драйвер [DIP-18]](/wa-data/public/shop/products/95/20/2095/images/2681/2681.300x0.jpg)
![L6207D, DMOS двойной Full-Bridge драйвер c ШИМ токовым контроллером [SO-24 (20+2+2)] L6207D, DMOS двойной Full-Bridge драйвер c ШИМ токовым контроллером [SO-24 (20+2+2)]](/wa-data/public/shop/products/67/20/2067/images/2633/2633.300x0.jpg)
![L6206PD, DMOS двойной Full-Bridge драйвер [PowerSO-36] L6206PD, DMOS двойной Full-Bridge драйвер [PowerSO-36]](/wa-data/public/shop/products/97/20/2097/images/2688/2688.300x0.jpg)
![L298HN, Двойной полномостовой драйвер [Multiwatt-15, Horizontal] L298HN, Двойной полномостовой драйвер [Multiwatt-15, Horizontal]](/wa-data/public/shop/products/68/20/2068/images/2635/2635.300x0.jpg)
![L6203, DMOS полномостовой драйвер [MULTIWATT-11] L6203, DMOS полномостовой драйвер [MULTIWATT-11]](/wa-data/public/shop/products/96/20/2096/images/2684/2684.300x0.jpg)
![L298N, Двойной полномостовой драйвер [Multiwatt-15, Vertical] L298N, Двойной полномостовой драйвер [Multiwatt-15, Vertical]](/wa-data/public/shop/products/92/20/2092/images/2671/2671.300x0.jpg)








